西安24小时品茶QQ_长沙龙凤网spa论坛_平凉同城品茶_真实良家交友论坛推荐

星光真空设备-专业生产LG螺杆真空泵、钛材螺杆真空泵、哈氏合金螺杆真空泵、耐腐蚀真空泵、耐腐蚀真空设备等

当前页:首页 >> 产品中心 - HG、2H滑阀真空泵系列

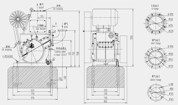
HG、2H滑阀真空泵 / HGL-150

产品参数


返 回
联系我们

订购我们产品,请致电:

0576-88653588,88652002

销售及服务

我们的真空泵产品远销国内外!公司全力以赴为客户提供最优的服务,在客户集中的区域设立售后服务办事处。我们郑重承诺:如产品自身缺陷或存在质量问题,省内及周边地区用户24小时内到达,省外用户48小时内到达。

浙公网安备 33100202000368号

主站蜘蛛池模板: 商丘市| 碌曲县| 临江市| 上高县| 海淀区| 绍兴市| 驻马店市| 光山县| 长春市| 乌兰县| 牙克石市| 隆子县| 宿州市| 方城县| 松潘县| 灵寿县| 牟定县| 策勒县| 黑龙江省| 铁岭市| 甘谷县| 红原县| 昌都县| 蛟河市| 普格县| 丹巴县| 泸州市| 崇义县| 望谟县| 涞源县| 北川| 辉南县| 昌平区| 德钦县| 盱眙县| 和平区| 威远县| 泽普县| 温泉县| 屏东县| 武川县|